Home
Projects
About
Diary
Blog
Memories
All Projects
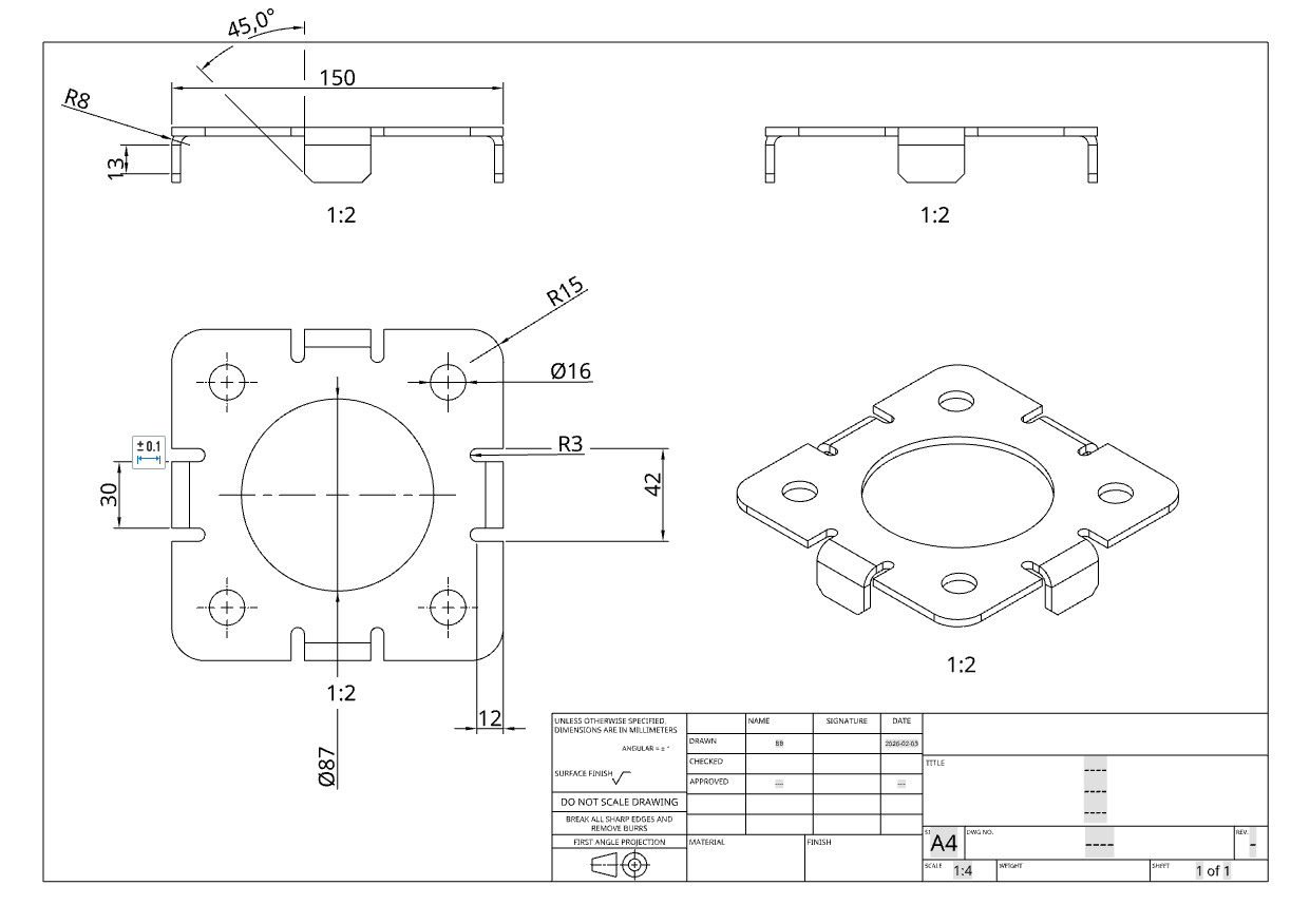
Sheet Metal Leg Mount For Actuators
February 2026